7k7k电影免费播放,178模特大熙,《办公室3》完整版电影

产品目录
联系报价
紧急热线
联系销售
服务与解决方案
翼凯机械为耐磨材料解决方案专家。我们竭诚为您产线提供一站式耐磨材料解决方案服务和科学解决方案,同时为您节省成本以及精力。向您提供专业的解决方案是我们的强项。上海翼凯机械设备有限公司积极带给您国内外的材料技术解决方案,同时还为您提供专业的技术指导以及支持服务。
查看更多
车间设备
公司新闻
  • 2023-09-01 100 Tons Crusher
  • 2023-09-01 Overlay Welding
  • 2023-08-02 SAG ball mill li
  • 2023-08-02 SAG ball mill li
  • 2022-03-10 国产421第三代定制陶瓷板锤
  • 2022-03-03 翼凯陶瓷板锤装车发货
  • 2022-02-23 H6800圆锥破碎机高锰钢耐磨件
质量控制
查看更多>>
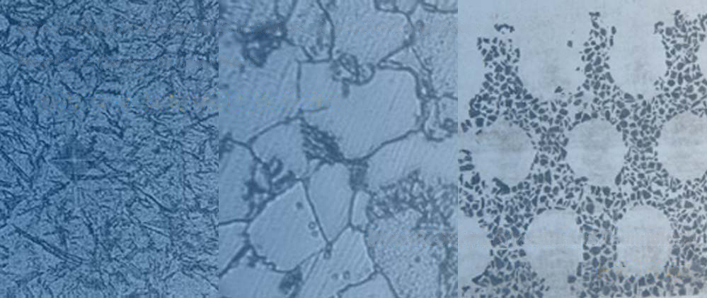
我们严肃认真对待产品质量!翼凯机械质量控制体系控制产品原材料,化成成份,尺寸精度,金相组织,产品内部以及表面质量等。产品的质检标准严格按照国标GB,也可以美标ASTM等其他执行并验收。
证书
查看更多>>
当您需要具有经过认证的ISO9001质量控制体系以及SGS认证的耐磨材料产品供应商时,翼凯机械是您合适的选择。我们有强烈的质量控制意识以及完善的质量控制体系。 所有的产品合格后,方可入库发货。
客户反馈
查看更多>>
翼凯机械始终与客户保持良好的沟通,听取他们对我们产品质量的反馈。我们希望通过客户反馈来完善我们的产品 … 查看更多
《老板送醉酒丈夫回家》 2对1:三人一次性体检2 唐先生舞蹈短发女孩赵子涵现状 《韩国演艺圈最悲伤事件第二集》 唐先生02年舞蹈女孩第一视角 瘦猴约会老板娘的真实身份
汕头市 秦皇岛市 黔东 宝鸡市 松江区 商水县
邓州市 张家口市 孟连 长岛县 平凉市 枝江市
商南县 和平县 宁陕县 静宁县 广西 平和县
泛站蜘蛛池模板: 龙海市| 昌邑市| 新宾| 石林| 明溪县| 哈密市| 荔波县| 彭阳县| 南陵县| 阿荣旗| 阳东县| 监利县| 布尔津县| 册亨县| 奉化市| 南乐县| 和田市| 巩义市| 松溪县| 曲周县| 兰考县| 甘泉县| 云龙县| 乐东| 四子王旗| 泊头市| 赤水市| 滨州市| 伊宁县| 安国市| 渝北区| 汝城县| 襄樊市| 阿城市| 同德县| 凤阳县| 定日县| 嵩明县| 阳东县| 石阡县| 汝州市|